سبد خرید خالی است
کنترل شافت CROSSSHAFT فرمان چپ
واشر ترنس اکسل یا گیربکس مجموعه کیت ATM U241E
مبدل گشتاور , جلو روغن پمپ زنجیر ATM U241E
CASE گیربکس روغن کف ATM U241E
SPEEDOMETER DRIVEN دنده ATM U241E
دنده OVERDRIVE ATM U241E
دیسک ترمز BAND MULTIPLE کلاچ ATM U241E
SUPPORT مرکز PLANETARY SUN دنده ATM U241E
ترمز NO.3, REVERSE ATM U241E
پیستون PLANETARY GEAR, REVERSE COUNTER دنده ATM U241E
سوپاپ بدنه روغن STRAINER ATM
سوپاپ بدنه روغن STRAINER ATM U241E
اتصال دریچه گاز سوپاپ اهرم ATM U241E
لوله روغن خنککننده ATM U241E
هاب محور اکسل عقب
دیسک چرخ کلاهک
محفظه اکسل جلو دیفرانسیل U241E
شافت محور جلو چپ
شافت محور جلو راست
هاب اکسل جلو
شافت ستون فرمان
پمپ VANE مخزن قدرت فرمان
فرمان قدرت لوله
فرمان SPOKE
اتصال دنده فرمان جلو
کابل ترمز دستی EUR
کابل ترمز دستی
براکت پدال ترمز تعویض قفل سیستم فرمان چپ 06S 07S ATM EUR فرمان چپ 07S ATM
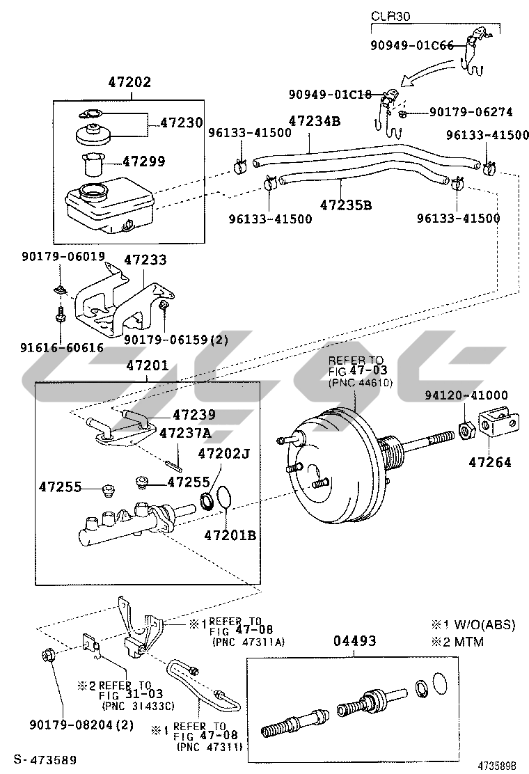
سیلندر اصلی ترمز
بوستر ترمز وکیوم لوله
کاور گرد و غبار کالیپر ترمز دیسکی جلو
کاور گرد و غبار کالیپر ترمز دیسکی جلو TYPE A فرمان راست
دیسک عقب ترمز کالیپر گرد و غبار درپوش
گیره لوله ترمز
گیره لوله ترمز ای بی اس
مفصل فرمان بازوی اکسل جلو
کمک فنر فنر جلو
کمک فنر فنر عقب